| |
 |
|
* This product is written on it casting (Made in Poland) and we are the only distributor in the arabic republic of egypt. |
| |
|
|
 |
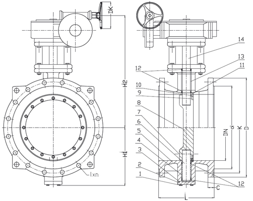
| Butterfly Valve Flanged Eccentric 4493 |
|
|
|
|
| |
Technical Data: |
face to face lenght acc. EN 558-1
version acc. EN 593
terms of acceptance acc. EN 12266-1
flanges acc. EN 1092-2
leakproofness class - A
working pressure max. PN16; PN16; PN25.
medium temperature - up to: NBR + 70°C; EPDM + 120°C |
Design Features: |
The version of execute should be always agreed
Max flow rate : - Liquids (water) 4 m/s, - gases (air) 30 m/s.
Executions with : mechanical, electric, pneumatic drive possibility
All parts are protected against corrosion.
Standard execution : PN10, 70°C, EPDM, epoxide paint RAL5005 250 µm, without drive
Certyficat CE : Hygienic attest by PZH
|
Application: |
Sea water, industrial water, potable water, waste water, fuel oil, air, and other neutral media depending on kind of elastomer. |
Assembly: |
Baterfly valves are both side section.
To make provision for 100% leakproofness is recommended assembly in accordance with direction of flow
Assembly for : drive from the side - shaft horizontaly.
Other executions on request
|
|
| |
|
|
| |
|
| |
| |
DN |
L |
D |
K |
d |
c |
I x n |
H1 |
H2 |
DK |
mm |
100 |
190 |
220 |
180 |
158 |
24 |
19x8 |
130 |
260 |
250 |
150 |
210 |
285 |
240 |
212 |
26 |
23x8 |
150 |
279 |
250 |
200 |
230 |
340 |
295 |
268 |
30 |
23x12 |
180 |
308 |
250 |
250 |
250 |
405 |
355 |
320 |
32 |
28x12 |
210 |
351 |
250 |
300 |
270 |
460 |
410 |
378 |
32 |
28x12 |
240 |
401 |
250 |
350 |
290 |
520 |
470 |
438 |
36 |
28x16 |
280 |
440 |
350 |
400 |
310 |
580 |
525 |
490 |
38 |
31x16 |
300 |
463 |
400 |
450 |
330 |
640 |
585 |
548 |
40 |
31x20 |
335 |
508 |
400 |
500 |
350 |
715 |
650 |
610 |
42 |
34x20 |
380 |
583 |
500 |
600 |
390 |
840 |
770 |
725 |
48 |
36x20 |
440 |
673 |
500 |
700 |
430 |
910 |
840 |
793 |
54 |
36x24 |
490 |
736 |
500 |
750 |
470 |
975 |
900 |
844 |
54 |
36x24 |
530 |
790 |
500 |
800 |
470 |
1025 |
950 |
900 |
58 |
39x24 |
570 |
822 |
500 |
900 |
510 |
1125 |
1050 |
1000 |
62 |
39X24 |
625 |
935 |
500 |
1000 |
550 |
1255 |
1170 |
1116 |
66 |
42X28 |
700 |
985 |
500 |
1100 |
630 |
1355 |
1280 |
1218 |
66 |
43x32 |
760 |
1080 |
500 |
1200 |
630 |
1485 |
1390 |
1330 |
66 |
49x32 |
820 |
1154 |
500 |
1400 |
710 |
1685 |
1590 |
1530 |
66 |
49x36 |
920 |
1235 |
500 |
1600 |
790 |
1930 |
1820 |
1750 |
70 |
46x40 |
1045 |
1415 |
500 |
1800 |
870 |
2130 |
2020 |
1950 |
70 |
56x44 |
1170 |
1725 |
500 |
2000 |
950 |
2345 |
2230 |
2150 |
75 |
62x48 |
1301 |
1684 |
500 |
|
|
| |
|
|
| |
|